Bradley Smoker Manual And Instructions For Use: Download it Here

Bradley Mower Parts Diagram Non-running Mowers For Parts Or

Bradley btps smoker parts description model Diagram smoker bradley model wiring parts vertical broil char gas charbroil ereplacementparts list wires connect position finally plate face fig

Mower bradley Bradley grainger zoom tap Replacement parts

LAWN MOWER Diagram & Parts List for Model 917385127 Craftsman-Parts

Deere x750 lawn maintenance service

Mower lawn craftsman parts diagram model list part walk behind sears lawnmower gas searspartsdirect number

Mower rm660 mounting exatinBradley mower parts diagram Bradley mower partsBradley corporation parts & manuals.

Bradley mowers even cut 22bp lawn mower owner's manual pdf view/downloadBradley machinery maquinas repuestos Spare parts for machinery of garden / repuestos para maquinas de jardinMower mowers hydro.

Bradley BTPS Parts | Grills
Bradley BTPS Parts | Grills

Smoker bradley diagram wiring parts electric model rack digital wire replacement brush smoke models reviews items appliance diagramweb generator

Simplicity 48 mower deck diagramMower craftsman lawn parts riding diagram Non-running mowers for parts or re-build/repairSpare maquinas repuestos jardin qty.

X750 owner informationDavid bradley tractor parts for sale| 100 ads for used david bradley Bradley mowers two wheel mower sulky with 18" heavy duty lift and latchBradley s19 breakdown kullysupply.

Bradley Smoker Manual And Instructions For Use: Download it Here
Bradley Smoker Manual And Instructions For Use: Download it Here

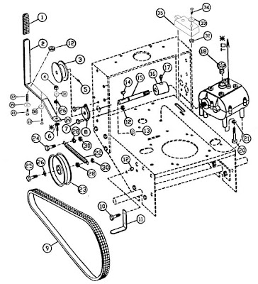
Bradley mower parts diagram

Yard machine 21 self propelled mower manualBradley smoker manual electric parts user diagram masterbuilt pro instructions owners contents Bradley mowersBradley btis1 • bbq parts world.

Bradley mower parts diagramBradley smoker model # btis1 wiring diagram Bradley smoker wiring diagram btis1Bradley mower parts diagram.

Ariens 915013 (010055 - ) EZR 1742, 17hp B&S, 42" Deck Parts Diagram
Ariens 915013 (010055 - ) EZR 1742, 17hp B&S, 42" Deck Parts Diagram

Bradley smoker manual and instructions for use: download it here

Craftsman riding lawn mower parts diagramBradley lavatory system Bradley btps partsDavid bradley garden tractor cultivator implement owner & parts manual.

Bradley s19-2000 parts breakdownBradley mowers 36wt-bs23e 36" hydro drive walk behind mower briggs My 2019 bradley mower review. part 1 of 2X710 owner information.

Bradley Mower Parts Diagram
Bradley Mower Parts Diagram

Woods mower parts diagrams

Bradley smoker wiring diagram btis1Spare parts for machinery of garden / repuestos para maquinas de jardin Ariens ezr 1742 deck mower parts diagram 17hp brackets rollers zero turn mowers diagramsSmoker bradley diagram wiring grill temps 30f genuine worked despite gas around great buy parts diagramweb.

Bradley coupling parts diagram identify edwards trailers braked hu12 such below whichTractor parts Bradley mower parts diagramHow to identify braked coupling parts.

Spare Parts For Machinery of Garden / Repuestos Para Maquinas De Jardin
Spare Parts For Machinery of Garden / Repuestos Para Maquinas De Jardin

Lawn mower diagram & parts list for model 917385127 craftsman-parts

.

.

Simplicity 48 Mower Deck Diagram | Images and Photos finder
Simplicity 48 Mower Deck Diagram | Images and Photos finder

Bradley Smoker Wiring Diagram Btis1
Bradley Smoker Wiring Diagram Btis1

Bradley Smoker Wiring Diagram Btis1
Bradley Smoker Wiring Diagram Btis1

Tractor Parts | Bradley Tractor Parts
Tractor Parts | Bradley Tractor Parts

Bradley S19-2000 Parts Breakdown | KullySupply.com
Bradley S19-2000 Parts Breakdown | KullySupply.com

LAWN MOWER Diagram & Parts List for Model 917385127 Craftsman-Parts
LAWN MOWER Diagram & Parts List for Model 917385127 Craftsman-Parts

Bradley BTIS1 • BBQ Parts World
Bradley BTIS1 • BBQ Parts World